Hozon Metal  Products Co.,Ltd

Hozon Metal Products Co.,Ltd

进入中文版 ENGLISH
Products Category

Contact Us

Name: Mike
Mobile: 15952690049
E-mail: sale@hozonmetal.com
Add: DAINAN INDUSTRIAL PARK TAIZHOU CITY, JIANGSU P.R
QQ: 1596831327
QQ: 1596831327

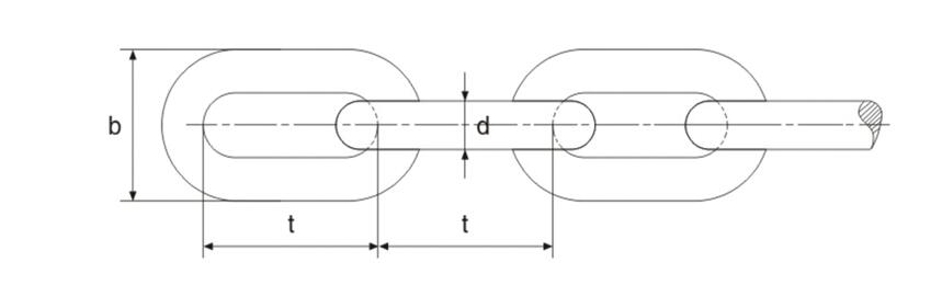
DIN 766 Short Link Chain

DIN 766 Short Link Chain
Product name : DIN 766 Short Link Chain
Item : HOZON-130
Details :
 

[Next : HOZON-129]→
Related Products :
DIN 763 Long Link Chain
HOZON-128
DIN 763 Long Link Chain
DIN 764 Medium Link Chain
HOZON-129
DIN 764 Medium Link Chain

在线 服务

Skype: 点击这里给我发消息